«Традиции точности»
Томск
Бесплатный звонок по России
8 (800) 775 20 55
Телефон отдела продаж
8 (3842) 67-22-92

Датчики тензорезисторные весоизмерительные «колонного» типа: характеристики и особенности

Содержание

  1. Особенности работы и преимущества тензорезисторных датчиков
  2. Метрологические и технические характеристики весоизмерительных приборов
  3. Схема подключения тензорезисторного датчика

Тензометрические датчики колонного типа — изделия, предназначенные для применения в автомобильных, железнодорожных, бункерных и прочих многотоннажных электронных весах, а также бункерных дозаторных системах взвешивания.

Особенности работы и преимущества тензорезисторных датчиков

Весоизмерительные тензорезисторные датчики исполняются в корпусе из нержавеющей стали. Устройства станут хорошим решением, если предстоит работать в производственных условиях, когда нужно иметь дело с эксплуатацией, модернизацией автомобильных весов или других измерительных установок. Кроме того, оборудование:
  • допускается использовать в агрессивных средах;
  • может быть рассчитано на высокие нагрузки, поэтому применяется бункерных и платформенных весах;
  • является высокоточным;
  • удобно фиксируется.
Конструкция тензодатчиков проста. Они имеют вид колонны с круглым или квадратным сечением. Срабатывают на сжатие оси колонны, которая реагирует на упругую деформацию. Она преобразуется в электрический сигнал и данные отображаются на весовом оборудовании (платформенных весах). То есть по сути оценивается измерение давления, оказываемого на весоизмерительный датчик.

Метрологические и технические характеристики весоизмерительных приборов

Чувствительный элемент подбирается в зависимости заданных характеристик и особенностей будущей эксплуатации. «Сибтензоприбор» предлагает несколько типов исполнения «колонных» тензодатчиков. Их характеристики приведены в таблицах.

Электронный весоизмерительный тензодатчик 4518

Характеристика Значение

Максимальная нагрузка,  т

20; 50

Класс точности по ГОСТ Р 8.726

С1; СЗ

Максимальное число поверочных интервалов, nmax (Emax/v)

1000; 3000

Минимальная статическая нагрузка, т

0

Значение поверочного интервала, v, кг

Emax/nmax

Номинальный относительный выходной сигнал при Emax, мВ/В

1.5

Номинальный выходной сигнал при Emin, % от Emax

2.5

Доля от пределов допускаемой погрешности весов (pLS)

0,7

Обозначение по влажности

СH

Напряжение питания, В

5 ...12

Входное сопротивление, Ом

380±2,0; 700±20,0; 1150±50,0

Выходное сопротивление, Ом

400±4,0; 700±4,0; 1150±4,0

Сопротивление изоляции, не менее, МОм

1000

Степень зашиты по ГОСТ 14254

IP68



Датчик весоизмерительный тензорезисторный «колонного» типа 9035
Применение тензодатчиков допустимо диапазоне температур от -50 до +50°C. Масса измерительного элемента 3,3 кг.

Чувствительный тензорезистор «колонного» типа 1909

Характеристика Значение

Максимальная нагрузка,  т

0,01; 0,015; 0,02; 0,025; 0,032; 0,04;

0,05; 0,063; 0,1; 0,125; 0,15; 0,2; 0,25;

0,4; 0,5; 0,6; 1,0

Класс точности по ГОСТ Р 8.726

С1

Максимальное число поверочных интервалов, nmax (Emax/v)

1000

Минимальная статическая нагрузка, т

0

Значение поверочного интервала, v, кг

Emax/nmax

Номинальный относительный выходной сигнал при Emax, мВ/В

2.0

Номинальный выходной сигнал при Emin, % от Emax

0.5

Доля от пределов допускаемой погрешности электронных весов (pLS)

0,7

Обозначение по влажности

СH

Напряжение питания, В

24

Входное электрическое сопротивление, Ом

760±4,0

Выходное сопротивление, Ом

800±8,0

Сопротивление изоляции, не менее, МОм

1000


Датчик веса способен работать при температуре  -50 до +50°C, вес устройства 2,6 кг.

Тензорезисторный датчик 9035

Характеристика Значение

Максимальная нагрузка,  т

0,05; 0,1; 0,2; 0,5; 1,0; 2,0; 5,0; 10,0

Класс точности по ГОСТ Р 8.726

С1; C3

Максимальное число поверочных интервалов тензорезисторных датчиков, nmax (Emax/v)

1000; 3000

Минимальная статическая нагрузка, т

0

Значение поверочного интервала, v, кг

Emax/nmax

Номинальный относительный выходной сигнал при Emax, мВ/В

1.5

Номинальный выходной сигнал при Emin, % от Emax

2.5

Доля от пределов допускаемой погрешности весов (pLS)

0,7

Обозначение по влажности

СH

Напряжение питания, В

5...12

Входное сопротивление, Ом

380±2,0

Выходное сопротивление тензорезистора, Ом

400±4,0

Сопротивление изоляции, не менее, МОм

1000

Степень зашиты по ГОСТ 14254

IP54



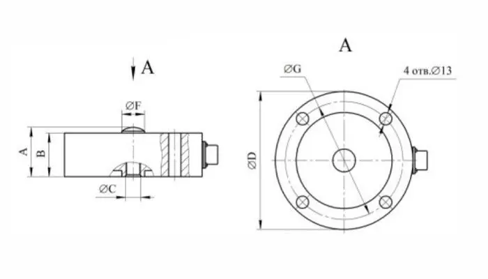
Измерительные приборы эксплуатируются при температуре  -50 до +50°C. Доступные габаритные размеры и масса:

E max, T А, мм В. мм С, мм D, мм Е, мм F, мм G, мм Масса, кг

0,05; 0,1; 0,2; 0,5; 1,0; 2,0

52

46

М 16*1,5

145

13

24

124

4,1

5,0

60

50

М 27x1,5

165

1 3

40

148

5,8

10,0

70

60

М27х1г5

165

13

40

148

6,5


Датчик весоизмерительный тензорезисторный «колонного» типа 4126

Характеристика Значение

Максимальная нагрузка,  т

10; 20; 50; 100; 150; 200

Класс точности по ГОСТ Р 8.726

С1

Максимальное число поверочных интервалов тензорезисторных датчиков, nmax (Emax/v)

1000;

Минимальная статическая нагрузка, т

0

Значение поверочного интервала, v, кг

Emax/nmax

Номинальный относительный выходной сигнал при Emax, мВ/В

1.5

Номинальный выходной сигнал при Emin, % от Emax

5

Доля от пределов допускаемой погрешности весов (pLS)

0,7

Обозначение по влажности

СH

Напряжение питания, В

5...12

Входное сопротивление, Ом

380±2,0

Выходное сопротивление тензорезистора, Ом

400±4,0

Сопротивление изоляции, не менее, МОм

1000

Степень зашиты по ГОСТ 14254

IP68

Рабочая температура

-50 до +50°C.


Габаритные размеры и масса

E max, T А, мм В. мм С, мм D, мм Е, мм R, мм Масса, кг
10 65 41 116 73 18,5 60 1/3
20 75 47 123 89 27,5 70 1,5
50 90 52 140 100 44,5 100 2,4
100 110 62 160 120 64,5 110 4,5
150 124 66 180 140 74,5 140 6,0
200 140 72 200 160 84,5 160 8,5

Схема подключения тензорезисторного датчика

Подключение тензодатчика осуществляется с кабельным выводом или кабельным разъемом.

Схема подключения электронных тензодатчиков с кабельным выводом:
Схема подключения с кабельным выводом

Схема подключения с кабельным выводом - изображение 2

Подключение весоизмерительного оборудования с кабельным разъемом:

Схема подключения с кабельным разъемом изображение

Средний срок службы оборудования в системе бункерных, платформенных весов или измерительного оборудования другого типа составляет 10 лет, реализуется с гарантией 12 месяцев. Если вы планируйте внедрение тензометрического оборудования в весоизмерительную систему, но требуется консультация специалиста и более подробная информация об устройствах, воспользуйтесь онлайн-формой связи на нашем сайте.
Назад
Томск
подать заявку задать вопрос
Ваш город - Томск?
Да, верно
Выбрать другой
Ваше местоположение